Sfere820A Class A Power Quality Analyzer IEC 61000-4-30 Compliant Energy Metering & Power Monitoring System for Renewable Energy Applications

Sfere820A Class A Power Quality Analyzer IEC 61000-4-30 Compliant Energy Metering & Power Monitoring System for Renewable Energy Applications

  • Sfere820A Class A Power Quality Analyzer IEC 61000-4-30 Compliant Energy Metering & Power Monitoring System for Renewable Energy Applications
  • Sfere820A Class A Power Quality Analyzer IEC 61000-4-30 Compliant Energy Metering & Power Monitoring System for Renewable Energy Applications
Summary
Sfere820A Class A Power Quality Analyzer is a high-precision, IEC 61000-4-30 compliant power monitoring solution designed for renewable energy systems. Offering full power parameter measurement, Class 0.2S energy metering, and advanced power quality analysis, it supports real-time monitoring and waveform recording. Ideal for solar, wind, and energy storage applications, it ensures grid compliance with EN50160 reporting, ITIC/SEMI F47 curves, and event log tracking. Featuring a 144x144 panel mount design and optional webserver integration via FM24 module, it enhances system reliability and performance in demanding energy environments.More
  • Sfere820A Class A Power Quality Analyzer IEC 61000-4-30 Compliant Energy Metering & Power Monitoring System for Renewable Energy Applications
Sfere820A Class A Power Quality Analzyer Feature
Feature
V/A/P/Q/PF/F/±kWh/±kvarh
Energy metering (0.2S)
Event log and waveform record
ITIC/SEMI F47 curves
IEC 61000-4-30 CL.A
EN50160 Report
Technical Specification
Dimension
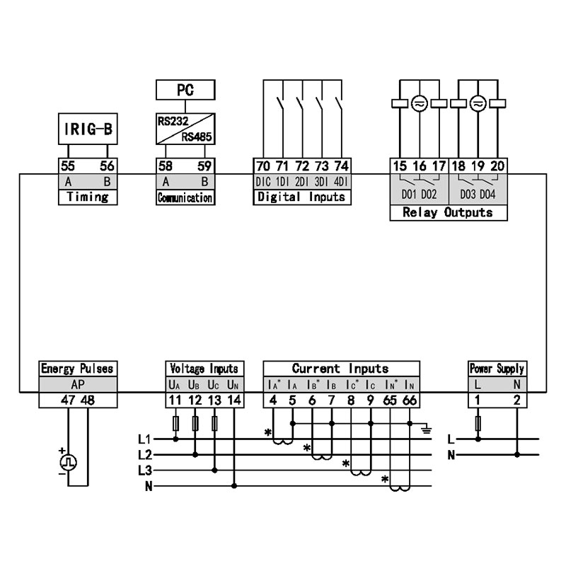
Typical Wiring
Models

Technical_Specification_2.jpg

Dimension.png

Typical_Wiring.png

Technical_Specification_1.jpg

Measurement and Control, Power Quality Improvement Equipment, Electrical Cabinet, Electrical Safety Monitoring System, Energy Management Software, Switch & Breaker, Battery Energy Storage System
Contact Supplier
Download
REQUEST MORE DETAILS
Please fill out the form below and click the button to request more information about
Fill out the form below to make an inquiry
Company*
Country/Region*
FirstName*
LastName*
Business Email*
Whatsapp/Phone*
Your Request*
Verification code*
We needs the contact information you provide to us to contact you about our products and services.
If your supplier does not respond within 24 hours, we will connect you with three to five qualified alternative suppliers.
We use Cookie to improve your online experience. By continuing browsing this website, we assume you agree our use of Cookie.